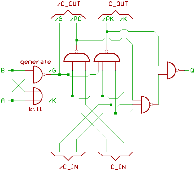
NAND based G20_like adder


Since it's a little bit difficult to buy 74xx based five_input
NOR gates, I felt a need to dissect the equations and to show
a concept which is based on NAND gates instead.

One Bit adder cell:

Symbol:

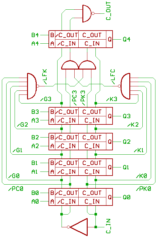
Four Bit adder:

And the fast lookahead carry.

And be warned, that I didn't build any of this.
If you start experimenting with such a design,
please write an article about this.


[HOME] [UP]/ [BACK] [1] [2] [3] [4] [5] [6] [7] [8] [NEXT]

(c) Dieter Mueller 2012