74182 variations


Of course, the schematic of the 74182 innards
isn't very obvious to read.

I guess, it's because them engineers who designed
this IC were forced to use AND NOR combination gates.

If we take the Cn+x circuitry, and draw it a little
bit different, the end result looks like something we
already have seen inside the 74381/74382 carry chain.

Note: for the first step:
if you take an AND gate, and invert the inputs
and the output, the result behaves like an OR gate.


In the pictures above, the 74182 has high_active
Cn, Cn+4 signals, and low_active /P, /G signals.

Funny thing is, that the 74182 also works when reversing
the polarity of all the input/output signals, what means
using low_active /Cn, /Cn+4 carry signals,
and high_active P, G signals.

Source:
Bipolar Microprocessor logic and Interface,
AMD, 1985: Page 5-19, AM2902 datasheet.


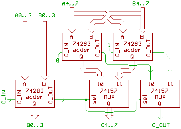
The 74182 was intended to link four Bit 74181 ALU ICs together.
But building one Bit adders and linking them together
with a 74182 also works.

When digging into 74LS/74F datasheets, you may find
two different implementations of a binary full adder
(Yep, that's what got me confused in ALU design, Part 1)
but for the 74182, it won't matter if the propagate signal
P is generated by an XOR gate, or by an OR gate.

Be warned, that 74182 has no Cn+4 output pin.
So you may want to improvise something...


The 74282 basically contained the 74182 circuitry,
plus a 4:1 multiplexer which made it possible to choose
between two different carry input signals...
in inverted or non_inverted form.

A typical application would be feeding CnA from the
Carry flag in the status register, and connecting CnB
to GND (since you may want to set the ALU carry input
to 1 when it performs an increment, or to 0 when the
ALU does a "shift left").


Since we are at it: another concept would be a carry skip adder,
but we already had this concept in "ALU design, Part 1" when
toying with EPROMS. So no need to go into details here.

And yes, you could use the 74182 in carry skip adders, too.


If you still happen to have too much spare time on your hands,
you also could dig into the datasheet of the oscure/obsolete Signetics 8261.


[HOME] [UP]/ [BACK] [1] [2] [3] [4] [5] [6] [7] [8] [NEXT]

(c) Dieter Mueller 2012