The 74882


The somewhat exotic 74AS882 from TI was designed for linking
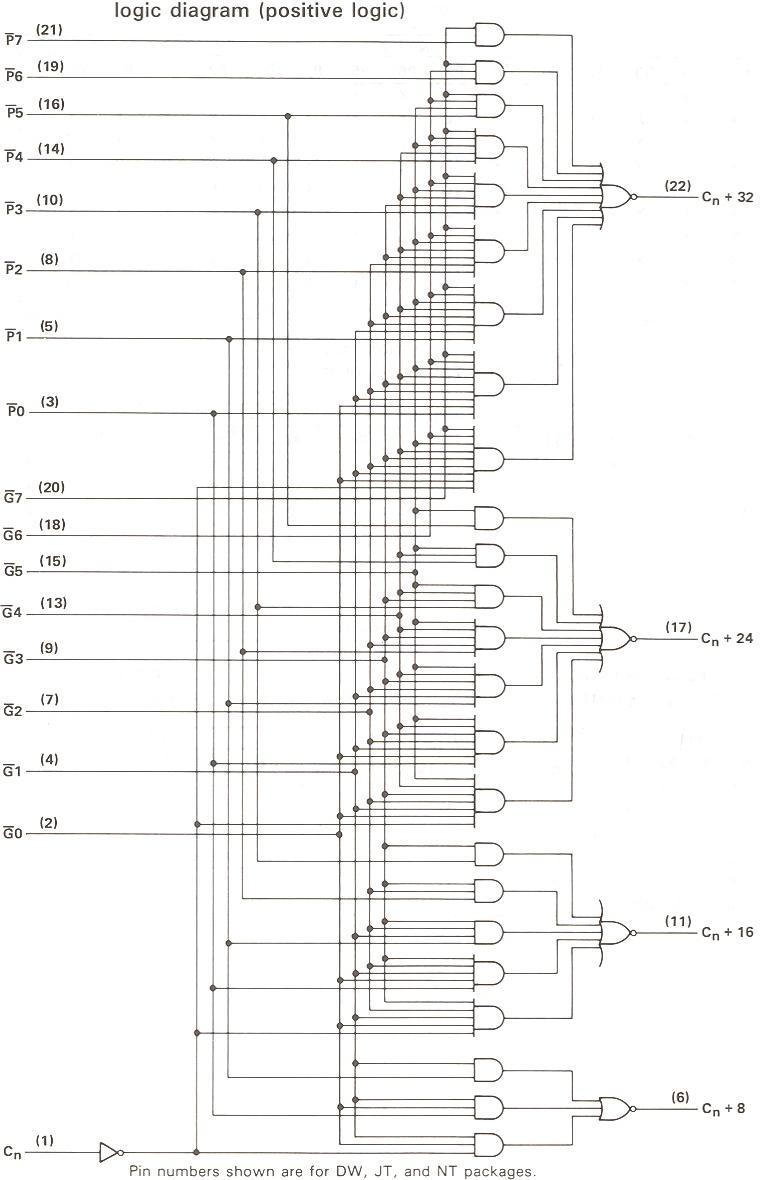
8 ALUs together... but it only had 4 carry outputs.

Makes sense, because it reduces the circuitry inside
the carry chain, and the wiring between the ICs looks
a little bit nicer.

I wish, I would have used a similar concept in my MT15 CPU.


Using/abusing a 74882 as a "74182 replacement":


A trick of connecting two 74882 ICs together
for getting 8 fast carry outputs:


A similar IC was the 100179 (National Semiconductor),
except that it had a different pinout, low active /P, /G
and /Cn, /Cn+something signals... and that it was ECL.


[HOME] [UP]/ [BACK] [1] [2] [3] [4] [5] [6] [7] [8] [NEXT]

(c) Dieter Mueller 2012