The MC10800


Source:
Microcomputer Components, Motorola Semiconductors, 1979


The MC10800 was a 4 Bit ECL ALU slice from Motorola.
The architecture was completely different from the
MC2901/MC2903 (or AM2901/AM2903).

The MC10800 had only an accumulator instead of the
16 registers in the MC2901/MC2903, but it supported
BCD arithmetic.

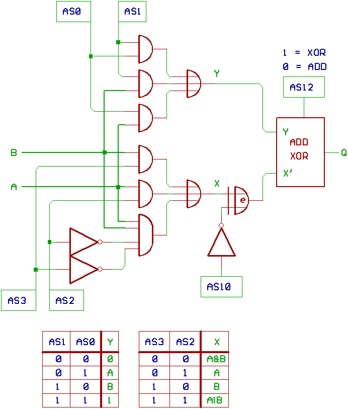
Since the MC10800 is very different from everything
I have seen so far, I felt the need to describe a very
simplified model of what it does in binary mode
(without BCD, that is).

Since I'm unable to verify, what happens inside a real
MC10800, please don't take the rest of this article
too serious. You better stick with the datasheet, sorry.


[HOME] [UP]/ [BACK] [1] [2] [3] [4] [5] [6] [7] [8] [NEXT]

(c) Dieter Mueller 2012