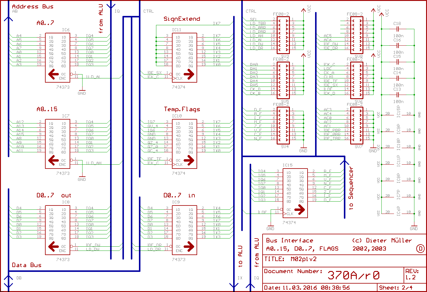
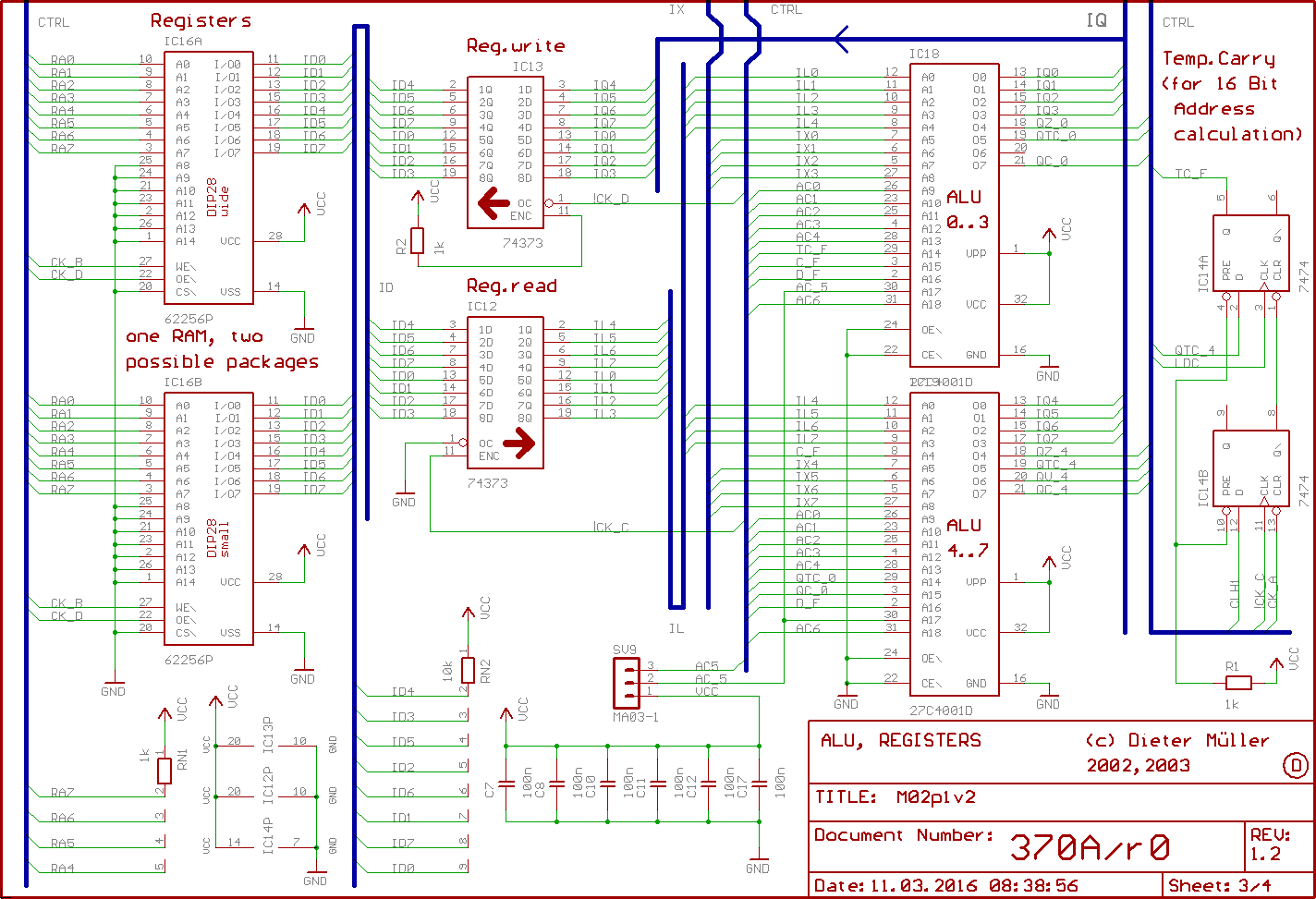
M02 Schematics




[BACK]